將安全區的電源通過開關接點 (或晶體管、邏輯電平信號) 方式來控制危險區的現場設備,輸出隔離的邏輯電壓信號。適合用于驅動電磁閥、報警器等本安設備以及其它沒有能量儲存的簡單設備。

● 供電電源
供電電壓范圍:20~30VDC
額定供電電壓:24VDC
電流消耗(24VDC供電,45mA輸出):單通道 < 75mA
雙通道 < 110mA
● 從安全區輸入
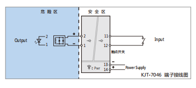
A. 選擇觸點開關
B. 選擇晶體管:電氣容量 30VDC,100mA
C. 選擇電平信號:高電平 ≥ 4.5V / 低電平 ≤ 1V
● 向危險區輸出
輸出信號:邏輯電壓信號
● 綜合通用參數
隔離能力:輸入-輸出-電源之間 1.5KV,1min,50Hz
絕緣電阻:輸入-輸出-電源之間 ≥100MΩ / 500VDC
外形尺寸:16×116×110(mm)
工作環境溫度:-20℃~+60℃
● 安全防爆認證參數
防爆等級標志:[Exia Ga]IIC
安全認證參數: 40
88 07
輸入類型:適合觸點開關、晶體管或邏輯電平信號
: 輸入開關閉合 ≤5V
輸入開關打開 15~30V
輸入電流 ≤3mA / 24V
開關延時 ≤2ms
輸入特性:
輸入開關閉合或晶體管導通,向危險區設備供電。
輸入開關斷開或晶體管不導通,不向危險區設備供電。
輸出等效電路(圖一):
輸出特性曲線(圖二):
最小輸出電壓:45mA時,12V
最大輸出電壓:24V
最大輸出電流:45mA
機殼材質 / 防護等級:阻燃ABS/IP20
適用于連接的現場設備及所處危險區域:電磁閥、報警器、
發光二極管或其它本安設備。
0區、1區、2區;IIA、IIB、IIC 危險區。
Um = 250VAC/DC Uo = 25.2VDC Io = 1 mA
Po = 0. W Lo = 1.0 mH Co = 0. μF



