KJT-ML-441-11Y替代施邁賽系列行程開關
- ● :2 電纜進口 M 20 x 1.5
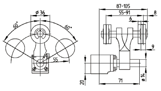
- ● :操動頭每次可按4 x 90°重新定位
- ● :搖臂位置連續可調360°
- ● :2 觸點
- ● :搖臂可以調整角度 180°
- ● :對耐溫型產品,滾輪可以安裝在軸兩個不同位置上
- ● :防護等級 IP65
凱基特重型限位開關是一種機械控制開關,有輸送帶防跑偏用、吊車過卷保護用、拉繩開關用等形式。發揮其高可靠性,被廣泛應用在鋼鐵設備、大型輸送機械、裝卸機械和水泥設備上。耐惡劣環境。玻封接點中充填了惰性氣體

| 標準 | EN 60947-5-1 |
符合指令 (Y/N) ![]() | 有 |
| 滿足安全功能(是/不) | 無 |
| 符合標準的外殼(是/否) | 無 |
| 原料 | |
| - 外殼的原材料 | 鑄鐵, 電鍍 |
| - 滾輪材質 | 塑料 |
| - 觸點材料 | 銀 |
| 外殼噴涂 | 涂色 |
| 重量 | 1655 g |
| 推桿形式 | 滑輪 |
| 機械參數 | |
| 電路連接說明 | 螺絲連接 |
| 電纜截面 | |
| - 最小電纜截面 | 1.5 mm2 |
| - 最大電纜截面 | 2.5 mm2 |
| AWG編號 | 13 |
| 作用原理 | 機械的 |
| 機械壽命 | 5.000.000 操作次數 |
| 操作元件構造 | 滾輪搖臂 |
| 回彈時間 | ≤ 5 ms |
| 切換時間 | ≤ 35 ms |
| 常開觸點 | 2 x 2.5 mm |
| 垂直開關軸方向的操作速度 | |
| - 最小操動速度 | 1 mm/min |
| - 最大操動速度 | 3 m/s |
| - 從開關軸左面操作的角度 | 30° |
| - 從開關軸右面操作的角度 | 30° |
| 注意 | 所有的電纜截面表示包括了導線和線耳 |
| 周圍條件 | |
| 周圍溫度 | |
| - 最低環境溫度 | ?30 °C |
| - 最高環境溫度 | +90 °C |
| 防護等級 | IP65 根據IEC/EN 60529 |
| 電氣參數 | |
| 轉換元件說明 | 常開觸點(NO), 打開(NC) |
| - 雙斷轉換觸點 | |
| - 電流絕緣的觸點橋架 | |
| 轉換原理 | 速動開關元件 |
| 關閉者數量 | 1 件 |
| 開啟者數量 | 1 件 |
| 額定沖擊耐壓 Uimp | 4 kV |
| 額定絕緣電壓 Ui | 250 V |
| 熱測試電流 Ithe | 16 A |
| 應用類別 | AC-15: 250 V / 4 A |
| 最大保險容量 | 16 A D型玻璃保險 |
| 尺寸 | |
| 傳感器尺寸 | |
| - 傳感器寬度 | 106 mm |
| - 傳感器高度 | 192 mm |
| - 傳感器長度 | 63 mm |
| 滾輪寬度 | 9 mm |
| 滾輪直徑 | 36 mm |



![]() 注意 開關行程圖 觸點閉合 觸點打開 設置范圍 斷點 肯定打開順序/角度VS NO 觸點調節范圍 V? NC觸點可調節范圍 N 行程后 |

