凱基特激光傳感器(激光光電開關)是利用激光技術進行測量的傳感器。它由激光器、激光檢測器和測量電路組成。激光傳感器是新型測量儀表,它的優點是能實現無接觸遠距離測量,速度快,精度高,量程大,抗光、電干擾能力強;

| 螺紋尺寸 | M6X0.75 |
| 檢測距離 | 20m/50m |
| 檢測光點大小 | 可定制0.5mm |
| 工作電壓 | 10-30VDC |
| 空載電流 | <9mA |
| 適合大負載電流 | 150mA |
| 漏電流 | <0.01mA |
| 電壓降 | <1V |
| 開關頻率 | 120Hz |
| 響應時間 | 0.1mS /0.1mS |
| 開關滯后 | <15%(sr) |
| 重復精度 | <1.0% (sr) |
| 防護等級 | IP 67 |
| 工作溫度 | -5℃—+50℃ |
| 溫度漂移 | <10%(sr) |
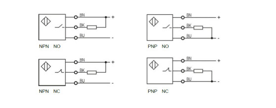
| 短路保護 | Yes |
| LED燈顯示 | Yes |
| 外殼材料 | 不銹鋼 塑料 |
| 連接方式 | 出線式 |





