180℃M12非埋式耐高溫接近開關
- 產品型號:KJT-J12GW
- 安裝方式:非埋入式
- 耐溫:-25~180℃
- 檢測距離:4mm
- 外形規格:M12*50
- 工作電壓:10-36VDC / 90-250VAC
凱基特耐高溫接近開關采用分體式做法,用于高溫惡劣環境下檢測、定位以及計數等,探頭可以經受-25~180℃介質溫度。本產品由于在高溫-25~180℃環境中穩定進行,具有高可靠性、短路、極性反接保護,因此廣泛應用于鋼鐵、冶金、玻璃以及化纖廠輸送管道等相關制造行業。同時可滿足在低溫嚴寒環境下檢測金屬或非金屬的要求。

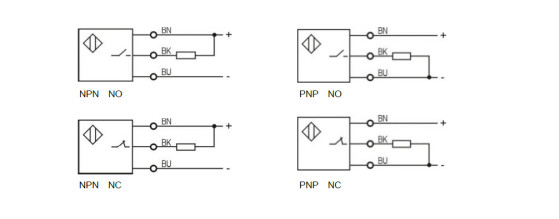
| ● 能檢測各種金屬物體 | 直流二線常開 |
| ● 具有浪涌、過載、短路、逆極性保護功能 | 直流二線常閉 |
| ● 外殼材料: 銅鍍鎳 | 直流三線NPN常開 |
| ● 防護等級: IP67(IEC) | 直流三線NPN常閉 |
| ● 環境溫度: -40~180℃ | 直流三線PNP常開 |
| 直流三線PNP常閉 | |
| 交流兩線常開 | |
| 交流兩線常閉 |

| 產品型號 | KJT-J12GW |
| 安裝方式 | 非埋入式 |
| 檢測距離 | 4mm |
| 工作環境溫度 | -25~180℃ |
| 外形規格 | M12*1.5*50 |
| 工作電壓 | 10-36VDC / 90-250VAC |
| 漣波 | <10% |
| 空載電流 | <10mA |
| 最大負載電流 | 200mA |
| 電壓降 | ≤1.5V |
| 開關頻率 | 150Hz |
| 遲滯 | <15(Sr) |
| 過載保護電流 | 220mA |
| 短路保護 | YES |
| 重復精度 | <3.0%(Sr) |
| 溫度漂移 | <10%(Sr) |
| 響應時間 | 0.5ms |
| 連接方式 | 2M 硅膠線 |
| 防護等級 | IP67 |
| 感應面材質 | PTFE |
| 外殼材質 | 銅鍍鎳 |
| EMC | RFI>3V/M / EFT>1KV / ESD>4KV(contact) |
| 沖擊/震動 | IEC 60947-5-2,Part7.4.1 / IEC 60947-5-2,Part7.4.2 |





